HOME | 借りる | ウッドチップ | 046【借りる】サイクロンアタッチメント/建機ジャパン

サイクロンアタッチメント チッパーシュレッダーSR3000用オプション

当社レンタル機械、チッパーシュレッダーのオプション品です。本体排出口に取り付ける事で処理後のチップが飛散する事なく効率的に収集が可能になります。
 
空気の流れを遠心力によりチップと空気に分離し、チップの飛散を低減しながら、現場で簡単にチップを収集し ます。
別売品のフレコンバッグは簡単に取り付けられ、作業時の埃を低減させます。
耐久性の高いチップ専用サイクロンで、着脱時に落下を防止する安全設計になっています。 輸送時も安心のサイクロン固定フック付き。

サイクロンアタッチメント 仕 様

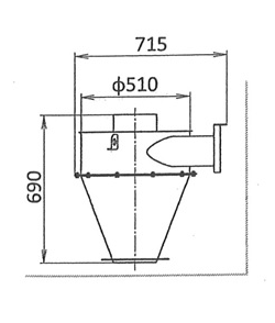
本体 寸法 全長 715mm
全高 690mm
直径 510mm
質量 26kg
排出ダクト 質量 24kg
 

サイクロンアタッチメント レンタル料金

型式 日割単価(税込) 月極単価(税込)
サイクロン装置AC510 2,420円 48,400円
記載のない機種につきましても、ご使用期間などを検討の上、ご用意いたしますのでお気軽にお申し付けください。
 

サイクロンアタッチメント画 像

【↓興味がある方はこちらから↓】
page 046